Ives WS20X Manual Wall Holder - Masonry
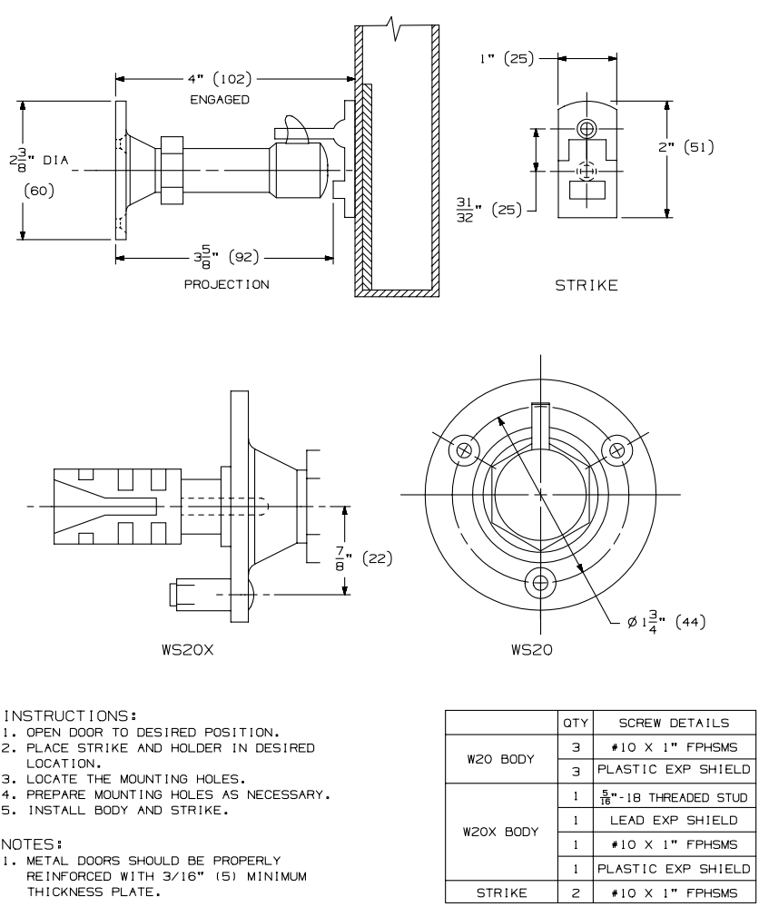
Ives WS20X Manual Wall Holders is for masonry applications. Hexagon section on unit aids in fastening unit when expansion shield is used. Holder is made from Cast Brass or Aluminum, and available in fine array of finishes of your choice.
PRICED PER PIECE
Ives WS20X Manual Wall Holders is for masonry applications.
Design:
- Replaceable black rubber bumpers feature off-set shoulder and threaded shank that screws into body of holder.
- Hinged strike furnished matches body material and finish.
- Packed with fasteners for heavy duty masonry applications.
Dimensions:
- Strike height: 2"
- Strike width: 1"
Material Substrate: Cast Brass or Aluminum
Available Accessory Items:
- Security pin screws
- Replaceable black non-marring rubber bumper
Please note, images are for illustrative purposes only. They are not actual photos. Therefore, actual colors may vary slightly and size may be enlarged to show detail.
This product has a 1 year guarantee against defects in workmanship and materials.
Click here to view our Full Warranty Policy.
Click to View Our Ives WS33 Wall Stop- Drywall / Wood Applications
-
QuickShipNo
-
ManufacturerIves
-
MPNWS20X
- Dimensions
-
Overall Projection4"
-
Base Diameter2-3/8"
-
Additional DimensionsStrike height: 2"
Strike width: 1"
-
- Description
-
MaterialCast Brass, Aluminum
-
FastenersFasteners for heavy duty masonry applications
-
- Finishes
-
FinishPolished Brass (US3), Satin Brass (US4), Satin Bronze (US10), Oil Rubbed Bronze (US10B), Polished Chrome (US26), Satin Chrome (US26D), Satin Aluminum
-
- Compliance Details
-
ANSI Designation156.16, L1135, L31351
-
Warranty1 Year Limited Warranty
-

