Ives WS20 Manual Wall Holder - drywall/wood
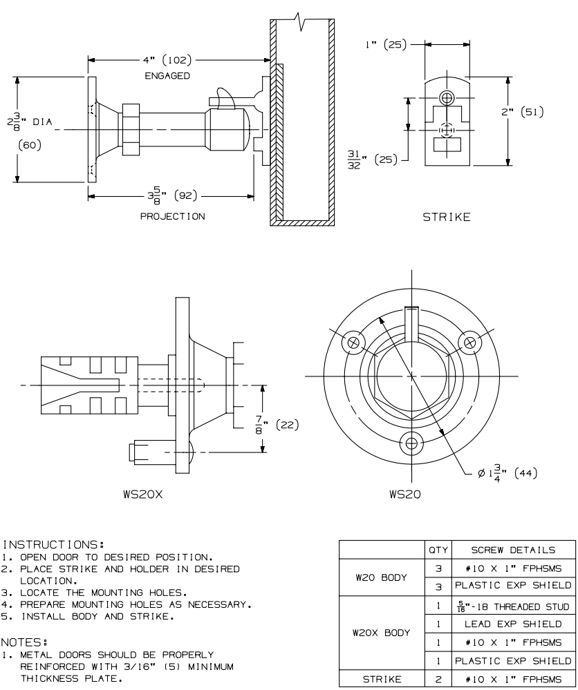
Ives WS20 Manual Wall Holders is for drywall and wood applications. Hexagon section on unit aids in fastening unit when expansion shield is used. Holder is made from Cast Brass or Aluminum, and available in fine array of finishes of your choice.
PRICED PER PIECE
Ives WS20 Manual Wall Holders is for drywall and wood applications.
Design:
- Replaceable black rubber bumpers feature off-set shoulder and threaded shank that screws into body of holder.
- Hinged strike furnished matches body material and finish.
- Packed with fasteners for drywall/wood applications.
Dimensions:
- Strike height: 2"
- Strike width: 1"
Material Substrate: Cast Brass or Aluminum
Available Accessory Items:
- Security pin screws
- Replaceable black non-marring rubber bumper
Please note, images are for illustrative purposes only. They are not actual photos. Therefore, actual colors may vary slightly and size may be enlarged to show detail.
This product has a 1 year guarantee against defects in workmanship and materials.
Click here to view our Full Warranty Policy.
Click to View Our Ives WS20X Manual Wall Holder- Masonry Applications
-
QuickShipNo
-
ManufacturerIves
-
MPNWS20
- Dimensions
-
Overall Projection4"
-
Base Diameter2-3/8"
-
Additional DimensionsStrike height: 2"
Strike width: 1
-
- Description
-
MaterialCast Brass, Aluminum
-
FastenersFasteners for drywall/wood applications
-
- Finishes
-
FinishPolished Brass (US3), Satin Brass (US4), Satin Bronze (US10), Oil Rubbed Bronze (US10B), Polished Chrome (US26), Satin Chrome (US26D), Satin Aluminum
-
- Compliance Details
-
ANSI Designation156.16, L11341, L31341
-
Warranty1 Year Limited Warranty
-

