Rixson EF519, Electrified Pocket Pivot Hinge
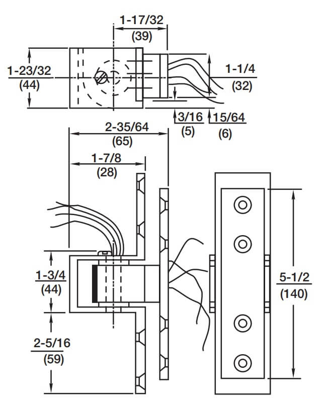
For use with pocket doors, the Rixson EF519 is a heavy-duty, fire-rated complete electrified mortise pivot. The door swings to a full 90 degrees thanks to the pocket pivot. Pivot comes in a range of finishes.
PRICED PER ITEM
See tabs below for additional information
For use with pocket doors, the Rixson EF519 is a heavy-duty, fire-rated complete electrified mortise pivot. The door swings to a full 90 degrees thanks to the pocket pivot. Pivot comes in a range of finishes.
Features:
- Electric pivot for power transfer
 - Full mortise, non-handed pivot for pocket door applications
 - Door and jamb portions are factory assembled and cannot be separat
 - Always use as middle pivot
 - Available with four wires only
 - ElectroLynx® option available, suffix “QC4”
 - 24-gauge wire is rated at 2 amps for low voltage, Class II wiring applications
 - Heavy-duty steel pivot with ball bearings
 - Allows doors to swing 90°
 - Minimum three pocket pivots per door
 - Doors over 90" (2286mm) in height require four pocket pivots. Every additional 30" (762mm) of door height warrants another pocket pivot
 - Furnished with wood and machine screws
 - Available in plated finishes
 
Optional Feature
- ElectroLynx® - a universal quick-connect system that simplifies the electrification of the door opening.
 
PRICED PER ITEM
This product has a 2-year limited warranty against defects in material and workmanship. Click to view our Full Warranty Policy.
Click here to view Rixson F519, Door Closer Pivot, Pocket Pivot
- 
                QuickShipNo
 - 
                ManufacturerRixson
 - 
                MPNEF519
 - Description
- 
                SeriesNorton EF519 Series
 - 
                Closer PerformanceHeavy Duty
 - 
                HandingNon Handed
 
 - 
                
 - Finishes
- 
                FinishBright Brass (605), Satin Brass (606), Polished Bronze (611), Satin Bronze (612), Oil Rubbed Bronze (613), Polished Nickel (618), Satin Nickel Plated (619), Flat Black (622), Bright Chrome Plated (625), Satin Chrome Plated (626)
 
 - 
                
 - Compliance Details
- 
                Warranty2 Year Limited Warranty
 
 - 
                
 

  
  
    
    
    
