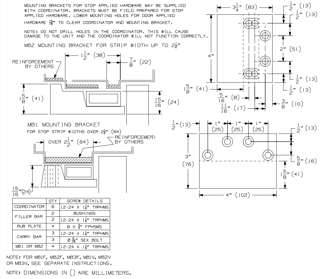
Ives MB1 Mounting Bracket For Coordinators, Over 2-1/2" Stop Width
Ives MB1 Mounting Bracket Allows stop mounted hardware to be properly installed without damaging the COR coordinator, such as a parallel arm closer or a non-fire-rated surface vertical rod strike. Available in three finishes.
PRICED PER PIECE
Ives MB1 Mounting Bracket Allows stop mounted hardware to be properly installed without damaging the COR coordinator, such as a parallel arm closer or a non-fire-rated surface vertical rod strike. Stop mounted hardware will need to be lowered to compensate for the height of the coordinator and mounting bracket.
Material: Aluminum A380
Size:
- Jamb Depth: 4-3/4" Min
- Stop Width: Over 2-1/2"
- Dimensions: 4" W x 3" D x 15/16" T
Please note, images are for illustrative purposes only. They are not actual photos. Therefore, actual colors may vary slightly and size may be enlarged to show detail.
This product has a 1 year guarantee against defects in workmanship and materials.
Click here to view our Full Warranty Policy.
Click to View Our Ives MB2 Mounting Bracket For Stop Width Up to 2-1/2"

